一、定位轴线
二、索引符号与详图符号
三、标高符号
四、引出线
五、其他符号
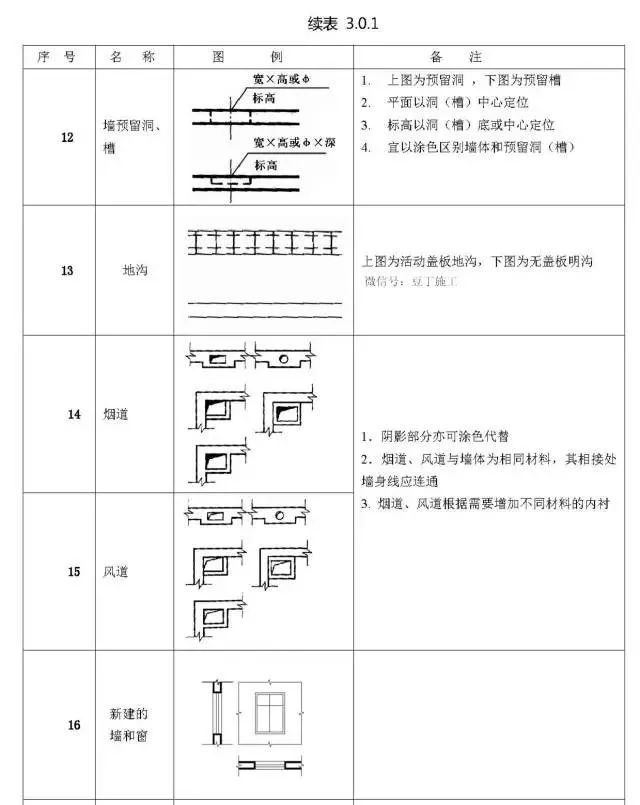
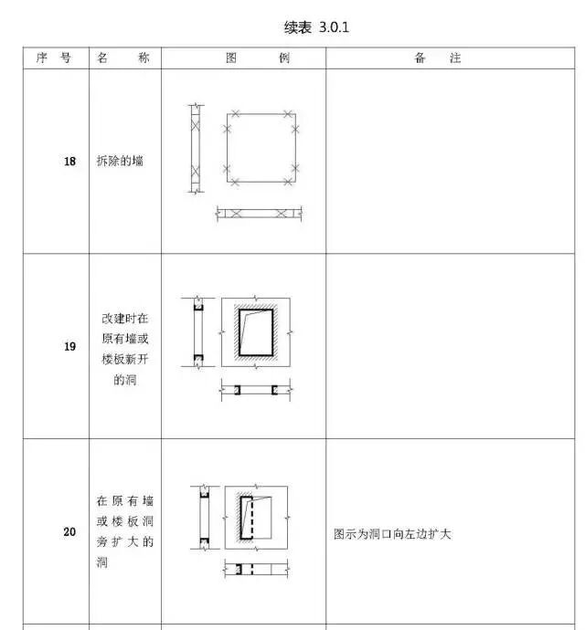
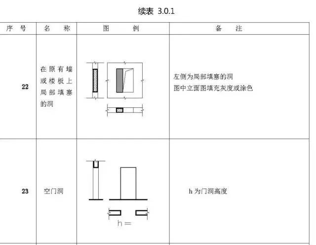
六、常用图例符号


知识点:图纸常用符号及图例大全
0人已收藏
0人已打赏
免费1人已点赞
分享
天正建筑
返回版块7.11 万条内容 · 362 人订阅
阅读下一篇
解决天正建筑总图坐标标注比例问题在总图上标建筑坐标标注时,以往碰到的而没有解决掉的老难题问题: 总图是按mm单位做的,在坐标标注时无论怎么设置单位,标注出来的坐标值都和总图对不上 , 但是若在指定坐标标出坐标点,制作成块,放大一千倍,则可以和总图红线坐标对上了。或者将总图制作成块,缩小一千倍,也可以即时动态坐标标注。 上面两种曲折方法随能间接解决问题,但是一旦涉及到修改则非常的不方便,极大的影响效率。 解决此问题的方法:
回帖成功
经验值 +10
全部回复(0 )
只看楼主 我来说两句抢沙发