土木在线论坛 \ 电气工程 \ 风力发电技术 \ 电动汽车电机控制器功率器件热管理技术

电动汽车电机控制器功率器件热管理技术

发布于:2022-12-07 10:14:07 来自:电气工程/风力发电技术 [复制转发]

知识点:电机控制器

随着新能源汽车的发展高性能的电动汽车在市场上有较好的需求特斯拉的Model3电机功率达到220kW蔚来的ES6电机功率达到160kW

为了满足对大功率电机的高性能控制需要不断地提升电驱系统的功率密度在电机控制器方面当前国外电机控制器主流的封装形式是采用IGBT芯片双面焊接和系统级封装电装博世大陆等公司的电机控制器功率密度已达到16-25kW/L随着技术的进一步发展2025年电机控制器的功率密度会进一步提升预计乘用车的电机控制器功率密度可以达到30-40kW/L;在电机方面近年来随着Hair-Pin高密度绕组技术的应用大幅度降低了绕组发热提升了转矩功率密度以及效率例如荣威MarvelX就采用了华域电动自主研发的Hair-Pin绕组结构的高速驱动电机功率密度达到3.8-4.6kW/L电机控制器和电机的功率密度提升意味着单位时间内积累的热能会更多为了满足车辆大功率的使用场景对电驱动系统的热量管理提出了更加严格的要求

IGBT是电机控制器最为关键的功率器件为了提高电驱系统的可靠性和性能需要获得IGBT的温升情况并主动进行热管理文献通过改变IGBT开关频率调整调制模式等方法降低开关损耗来降低结温波动但没有考虑电频率对结温的影响文献提出基于频段导向的功率器件热管理控制技术在不同频率内采用不同的热管理策略但是这种方法没有考虑实际的整车运行工况文献提出适用于电动汽车的IGBT热管理策略但仅考虑了电流限制的方法而没有考虑开关频率等因素的影响

本文在上述研究的基础上提出了一种适用于电动汽车电机控制器功率器件的热管理技术既可以满足整车的最大功率输出又可以有效地保护功率器件的安全


01

电机控制器组成




电机控制器主要包含控制板、驱动板、接插件、壳体和冷却管道等几个部分,发热较大的关键器件为功率器件IGBT、电容和直流母排等,其中最为关键的器件是IGBT。图1为上汽某项目的电机控制器爆炸图。




图片

1上汽某项目电机控制器爆炸图




表1是在保持电压等级、电机油温、入水口温度和冷却水流量一致的情况下,且逆变器相同工作点在不同环境温度下的温度测试结果。表2是在同样的环境温度、电压、油温和冷却水流量的情况下,且逆变器各部件在不同入水口温度条件下的测试结果。从表1和表2的测试结果可以看出,在各个测试点中,IGBT最高结温的温升最大,是影响电机控制器工作能力的最重要因素,因此有必要开发一种合理高效的IGBT热管理应用技术,对IGBT进行热保护。




表1上汽某项目系统不同环温热测试结果

图片

表2 上汽某项目系统不同入水口温度热测试结果

图片


02

IGBT热管理技术




目前,主流电机控制器的功率器件采用英飞凌HPD模块,它并未集成IGBT结温传感器,因此需要开发准确的结温估算算法,即通过对IGBT的传热路径和散热条件进行数学建模,完成热阻-热容的热网络搭建,通过计算IGBT的实时损耗,并输入到热网络模型中,得到IGBT结温的实时值后,再采取热管理策略进行热保护。

图2为IGBT物理层的结构图,从图中可以看出,IGBT由基板层、系统焊接层、铜片、陶瓷层、芯片焊接层及芯片组成,为多层结构,其热量传输路径比较复杂。

图片

图2 IGBT物理层结构图




功率器件损耗计算

功率器件的损耗分为两大类:开关损耗和导通损耗。对于开关损耗,由于含有IGBT和二极管两种器件,可分为IGBT开通损耗E、IGBT关断损耗E和二极管的反向恢复损耗E。


IGBT开关损耗测试及拟合

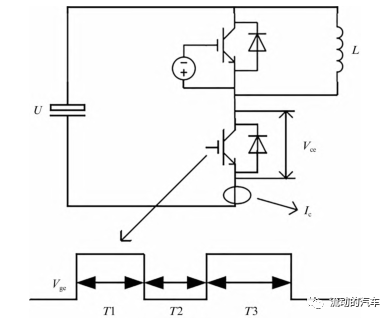
一般地,IGBT模块开关损耗结果主要通过IGBT双脉冲测试获得,对于IGBT开关损耗主要关注E和E,对于二极管开关损耗主要关注E,双脉冲测试设置方式如图3所示。


图片

图3 IGBT下桥开关损耗测试设置示意图




在图3中,下桥IGBT作为被测对象,用高压隔离探头取V电压、用罗氏线圈取I电流、用高压隔离探头测量V信号以及用普通探头测量PWM信号,同时对上桥IGBT的门极施加负压,使上桥IGBT保持关断状态,仅使其续流二极管起作用。T1为双脉冲第一个开通时段,T3为双脉冲第二个开通时段。在驱动参数确定后,开关测试的数据E、E、E与母线电压、电流和结温都相关,因此开关损耗需要根据此3个维度的不同组合来获得。

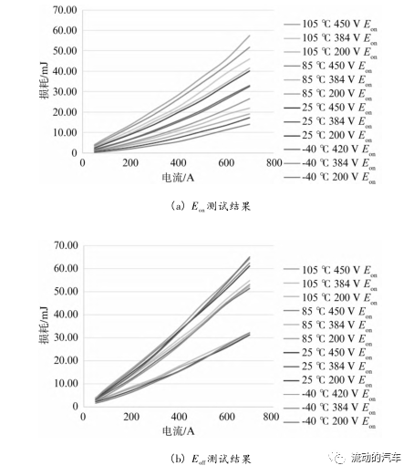
通过图4可以看出,在一定结温和电压下,开通损耗Eon和关断损耗Eoff与电流基本呈线性关系,因此可以采用一次或二次线性多项式对其进行拟合。根据双脉冲在不同温度和不同电流下测到的开关损耗数据绘制Eon、Eoff与母线电压Udc之间的关系图并进行拟合,在Eon、Eoff与电流呈线性关系的基础上,IGBT开关损耗表达式为

图片

式中:U为逆变器母线电压值;Tj为IGBT结温;I为集电极电流。a0、b0与Tj的关系如式(2)和式(3)所示,呈一次线性关系,而c0设为定值,此处c0取最高结温下的值:


图片
图片

图4 IGBT不同工况下的损耗测试结果




通过大量的试验数据,可以拟合出比较准确的参数,进而用于计算各种不同工况下的开关损耗。




二极管反向恢复损耗

二极管的反向恢复损耗Erec与电流I呈非线性关系,同时需要兼顾在各个温度和电压下的关系,Erec与流过二极管的电流IF、母线电压U及二极管结温Tj的关系如式(4)所示,拟合的步骤同IGBT开关损耗。

图片


导通损耗

IGBT/二极管的导通和前向压降主要与瞬时电流和结温相关,其关系需要利用定制的仪器进行测试,因此通常通过供应商获得IGBT/二极管的导通和前向压降与瞬时电流和结温的关系曲线及数据。




热阻网络模型计算

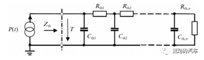
目前,行业内主要有两种方法来进行热网络模型的建立。一种是基于物理模型———Cauer模型,每一组热阻热容都对应到实际物理模型的热阻热容参数。如图5所示,该模型比较容易理解,每一层散热材料都可以用相应的热阻热容来表示。但是Cauer模型有一定的缺陷,热容参数都是相对于GND的参考点,一旦该参考点变化,比如参考点IGBT基板DCB温度变为IGBT散热器温度,则需要重新评估和测量热容参数。




图片

图5 Cauer模型示意图




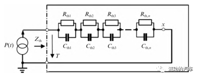
第二种是局部网络热路模型———Foster模型。如图6所示,Foster模型不同于Cauer模型,RC节点不再与导热材料一一对应,网络节点没有任何物理意义,只需要结温和传感器测量点之间的温差就足够了。

图片

图6 Foster模型示意图




结温估算算法开发及闭环测试

本文采用Foster模型,基于精确拟合的损耗参数和Foster热阻参数,按照上述方法通过软件实时计算IGBT和二极管的热点温度。结温估算原理框图如图7所示,首先通过精确IGBT损耗实时计算模块得到IGBT和二极管的损耗,将其代入到冷却液水温计算模块,获得冷却液的温度。最后,热点温度计算模块根据IGBT损耗、二极管损耗和冷却液温度得到IGBT和二极管的最高温度,并取两者的最大值作为功率器件的最高热点温度T。


图片

图7 结温估算原理框图




英飞凌公司提供了用于算法验证的黑模块,如图8所示。这种方法属于破坏性测量方法,需要将IGBT模块打开,除去透明硅脂,然后将待测器件的芯片表面涂黑,通过红外热成像仪来进行测试。表面涂黑处理可以提高温度测量的准确性,便于算法的精确标定及验证。




图片

图8 用于闭环验证的IGBT模块




如图9-11所示,与实际温度相比,IGBT和二极管估算的温度精度都在(-5,0)℃以内。而实际应用中需要通过标定的修正系数将温度估算偏差补偿到(0,+5)℃,使得IGBT在应用过程中有一个较好的温度余量,避免因过温而影响IGBT寿命。




图片

图9 低频(10Hz)下IGBT和二极管估算温度与实测温度

图片

图10 中频(100Hz)IGBT和二极管估算温度与实测温度

图片

图11 高频(800Hz)IGBT和二极管估算温度与实测温度




IGBT热管理策略

从控制方面看,影响结温的主要因素包含以下几个方面:

(1)开关频率对结温的影响及控制方法。随着开关频率的增大,IGBT的最大结温和结温变化值都近似于线性增加。若能够在一定范围内对开关频率进行调整,可以对结温进行有效控制;

(2)电流对结温的影响及控制方法。电流越大,导通损耗和开关损耗均会变大,IGBT的最大结温也随之增大。可根据估算结温对电流幅值进行限制;

(3)不同输出频率下的温度性能分析。输出频率对损耗和结温都会产生较大的影响。输出频率对结温波动的影响较大,尤其在低频时,效果更加明显。当器件长期工作在较低的输出频率时,

在产生损耗的正周期阶段,器件会一直处于升温状态,连续工作时间越长,器件温度的上升幅度越大,在经过足够长的时间后,器件容易发生热击穿;当输出频率较大时,器件己经恢复到正常的工作循环模式,输出周期时间短,因此器件升温和降温的时间也较为短暂,不会对器件造成过多的热冲击。

本文综合考虑以上几个因素,设计了IGBT的热管理策略,如图12所示。在实际应用中,当结温过高时,首先根据转速和扭矩命令获得最低的开关频率,在最低开关频率以上,优先通过降低开关频率来降低开关损耗,缓解逆变器的热冲击,保证系统输出大电流,而不影响输出扭矩。当在最低开关频率无法满足功率输出时,可以通过降低扭矩命令来降低输出电流,可有效降低导通损耗,从而降低结温,保护功率器件的安全。

图13为电机转速为15r/min、冷却液温度为65℃下的热管理策略测试结果:当结温T接近125℃时,为了保持250N·m的扭矩输出,开关频率首先开始下降,当频率下降到6kHz的最低开关频率时,因开关频率无法再下降,需要降低扭矩来维持结温的上限,最终扭矩命令下降到210N·m附近上下波动,在结温不过温和最低的开关频率下实现了最大的能力输出。


图片

图12 GBT热管理策略框图

图片

图13 IGBT热管理策略测试结果




03

结语




本文阐述了电机控制器里最核心的功率器件IGBT的热管理技术,开发了一套可以产品化的结温估算开发方法,经过实际的测试,验证了其具备较好的性能指标,为IGBT在新能源汽车上的高性能应用提供了依据,确保了新能源汽车核心零部件电机控制器的稳定性和可靠性。结合IGBT热管理应用策略,在大功率运行环境下可以优先进行降频控制,既可保证电驱系统的大功率输出,又可保护功率器件的安全。



相关推荐链接:

1、电磁铁设备说明

2、磁铁与电磁铁的设计


全部回复(0 )

只看楼主 我来说两句抢沙发
这个家伙什么也没有留下。。。

风力发电技术

返回版块

8744 条内容 · 207 人订阅

猜你喜欢

阅读下一篇

轨道交通用直线感应电机

知识点:直线电机牵引系统 直线电机的全称是直线感应电机(Linear Induction Motor,LIM),LIM牵引系统结构简单、能耗小、造价低,在轨道交通中广泛应用。因磁路开断、初次级间隙大等特性,LIM的分析较传统电机更复杂。文章总结了轨道交通用LIM牵引系统的优点,介绍了四种主要结构和研究进展,探讨了轨道交通用LIM的一些关键技术难题。

回帖成功

经验值 +10